Образование » Методика преподавания подраздела "Электротехника" » Формы и методы изучения подраздела "Электротехника" в девятом классе

Формы и методы изучения подраздела "Электротехника" в девятом классе

Страница 8

Полупроводниковые диоды разнообразны по конструкции и назначению. Для сильных токов применяют плоскостные диоды, а для слабых токов - точечные диоды.

Схема 1.

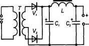
Схемы выпрямителей.

4. Создание ориентировочной основы деятельности.

Учащиеся изучают схемы полупроводниковых периодов, выпрямителей. Уточняют у учителя неясные моменты в принципе работы той или иной схемы.

Затем учитель демонстрирует учащимся зарядное устройство, объясняет принцип работы. После этого учащиеся самостоятельно ознакомляются со схемой зарядного устройства.

II. Самостоятельная работа учащихся по получению новых знаний.

Дети, используя план выполнения практической работы, собирают схему зарядного устройства.

2. Учитель проверяет правильность соединения элементов цепи. Проводит фронтальный инструктаж учащихся, тем самым проверяя степень усвоения знаний, полученных на уроке.

Исправляет допущенные ошибки учащихся с объяснением причины их возникновения.

III. Заключительный инструктаж.

Анализ работы и подведение итогов. Выставление оценок.

Задание на дом: параграф 16, с.82-85, ответить на вопросы с.86, выучить.

Страницы: 3 4 5 6 7 8 

Похожие публикации:

Экспериментальное исследование взаимосвязи развития мышления с памятью и речью у детей младшего школьного возраста
Целью нашего исследования стало изучение взаимосвязи уровня развития мышления с уровнями развития памяти и речи у младших школьников. Нами была сформулирована гипотеза исследования: высокий уровень развития памяти и речи детей младшего школьного возраста определяет развитие понятийно-логического мы ...

Взаимодействие семьи и школы по нравственному воспитанию младших школьников. Организация и формы работы с родителями учащихся начальной школы
В России достаточно долго существовало мнение о том, что ребёнка должны воспитывать детские учреждения и что это является их прямой обязанностью. И вплоть до сегодняшнего дня встречаются ситуации, когда школа и учитель являются главными ответчиками за все неудачи, связанные с воспитанием детей. Так ...

Ушинский – основоположник научной педагогики
Мировую славу русской педагогике принес Константин Дмитриевич Ушинский (1824–1871). Прожил он недолгую, но удивительно плодотворную жизнь. Великий русский педагог – демократ, основоположник русской педагогической науки и народной школы в России, автор выдающихся трудов «Человек, как предмет воспита ...

Возрастные особенности внимания

Возрастные особенности внимания

Внимание - это особое свойство человеческой психики. Оно не существует самостоятельно - вне мышления, восприятия, работы памяти, движения. Нельзя быть просто внимательным - можно быть внимательным, только совершая какую-либо работу.

Категории

Copyright © 2026 - All Rights Reserved - www.eduriver.ru